| Product number | EAN | Color |
|---|---|---|
| 39000000 | 4005176933912 | chrome |


| Pos.-nr. | PRODUCT DESCRIPTION | Order-nr. |
|---|---|---|
| * Optional accessories | ||
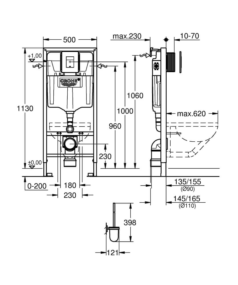
| 1 | Threaded bolts | 4276400M |
| 2 | Inlet and flush fitting for toilet bowl |
37311K00 |
| 2.1 | Fasteners | 43511SH0 |
| 2.2 | Connection | 37119000 |
| 3 | PP flush bow DN 90 | 42327000 |
| 4 | 4" nozzle adapter | 42242000 |
| 5 | Fixators | 42243000 |
| 6 | Inspection Chamber | 66791000 |
| 7 | Fill valve | 37095000 |
| 7.1 | Lever | 43734000 |
| 7.1.1 | Seal | 4377000M |
| 7.2 | Valve head | 43536000 |
| 7.3 | Membrane | 4375800M |
| 7.4 | Screw cap | 43735000 |
| 7.5 | Valve float 5 pcs. | 4379100M |
| 7.6 | Seal Kit | 43722000 * |
| 8 | Holder for GROHE Recessed Faucets | 42246000 |
| 9 | Hose connection | 42233000 |
| 9.1 | O-ring | 0319100M |
| 10 | AV1 Flush valve with extension | 42320000 |
| 10.1 | Overflow extension | 42313000 |
| 10.2 | pneumatic hose | 42319000 |
| 10.3 | Seal | 42310000 |
| 11 | Valve seat for GD 2 | 42315000 |
| 12 | Wall Corner | 3855800M |
| 13 | Overlay with button | 42371000 |
| 14 | Conversion part | 38796000 * |
| 15 | Spare brush | 40392000 |
| 15.1 | Spare brush head | 40791001 |
| 16 | spare glass | 40393000 |
| 17 | Soundproofing kit | 37131000 * |
| 18 | Adapter 4.5 L for GD 2 | 42333000 * |
| 19 | Accessories | 38779000 * |
| 20 | Optional wall mount, variable placement | 38733000 * |
| 21 | Elongation | 38629000 * |
We will tell you in detail about our services, types of work and typical projects, calculate the cost and prepare an individual offer!