| # | Feature | Value |
|---|---|---|
| 1 | Maximum temperature of the working environment, ° С | 130 |
| 2 | Nominal maximum pressure, bar | 16 |
| 3 | Valve tightness class | "A" |
| 4 | Maintainability | Yes |
| 5 | Transition Characteristic | full |
| 6 | Mean time between failures, cycles | 25000 |
| 7 | Average total life, cycles | 55000 |

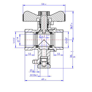
| # | Part name | Material | Material grade according to norms | |
|---|---|---|---|---|
| RF | EN | |||
| 1 | Stub | Brass | Brass | HPb58-3 |
| 2 | O-ring | Elastomer | Rubber | EPDM |
| 3 | Ball Valve | Brass | Brass | HPb58-4 |
| 4 | Seat Ring | Teflon | Teflon | PTFE |
| 5 | Small body | Brass | ЛС-59-2 | CW617N |
| 6 | Large body | Brass | ЛС-59-2 | CW617N |
| 7 | Stock | Brass | Brass | HPb58-3 |
| 8 | Stem Seal | Teflon | Teflon | PTFE |
| 9 | Locking nut | Brass | Brass | HPb56-4 |
| 10 | Handle | Aluminum | Aluminum | Aluminum |
| 11 | Nut | Steel | Steel | Q235 |
We will tell you in detail about our services, types of work and typical projects, calculate the cost and prepare an individual offer!