YST40-250.185

Overview

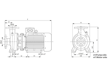
YST series centrifugal clean water pumps adopt a trailed type design for quick and easy maintenance.


Model overview

Those. information

Download

Colors

DOP

More in this category:

Need a consultation?

We will tell you in detail about our services, types of work and typical projects, calculate the cost and prepare an individual offer!