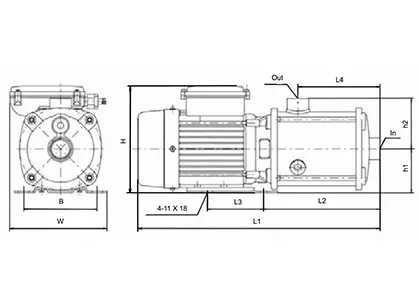
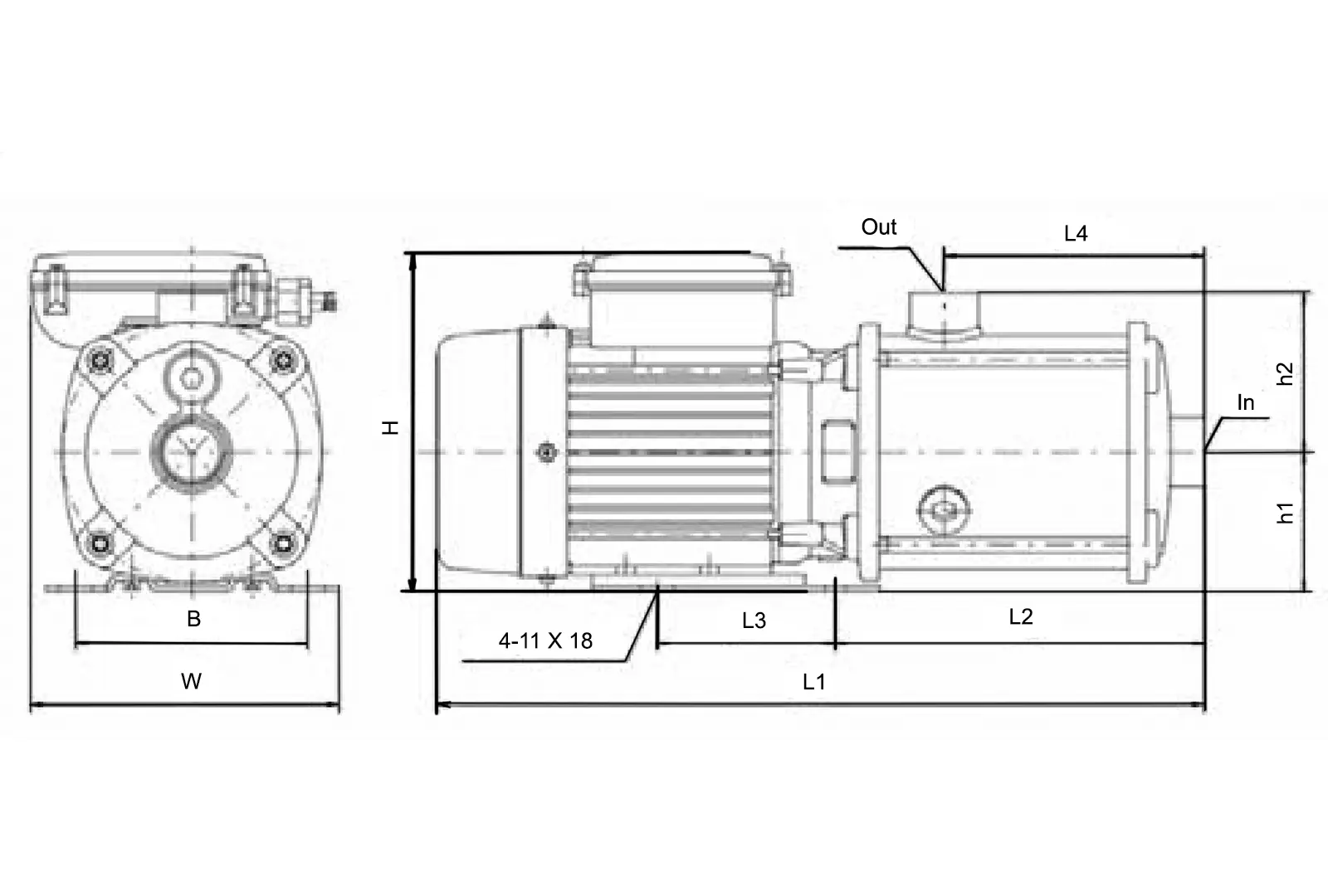
Horizontal multistage pump CMI4-7(D)

Overview

CMI series horizontal multistage centrifugal pumps have a wide range of applications for various purposes. Air conditioning, water treatment, process line water boosting, heating and cooling water for industrial production lines, liquid transport, clean, non-flammable, non-explosive, solids and fiber free liquid, fertilizer application/dosing systems.


Model overview

Those. information

Download

Colors

DOP

More in this category:

Need a consultation?

We will tell you in detail about our services, types of work and typical projects, calculate the cost and prepare an individual offer!