Cabinets with frequency regulation

Overview

Variable Frequency Motor Control Cabinets: Operating Principles and Advantages

Variable frequency motor control cabinets are specialized devices for the efficient control of asynchronous electric motors of the same size. Control is performed based on incoming commands, allowing for precise adjustment of operating modes.

Basic Features
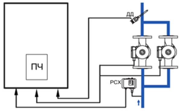
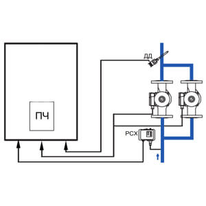
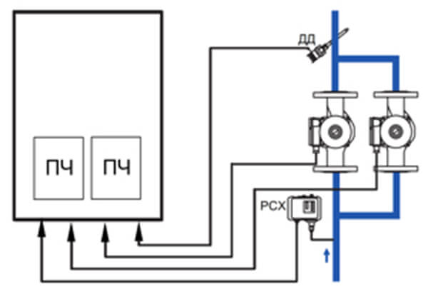
The standard series of cabinets allows for the control of one to six electric motors in a single system. This solution is particularly in demand in engineering systems:

  • Water supply;
  • Ventilation and air conditioning.

Features of Use with High-Inertia Mechanisms
When working with high-inertia equipment (smoke exhausters, fans, air blowers), it is recommended to equip the cabinets with a braking resistor. This component is necessary for the correct operation of the frequency converter and the prevention of overloads.

Key advantages of frequency control in pumping systems
The use of cabinets with frequency control provides a number of significant operational advantages:

  • reduced energy consumption due to optimization of operating modes;
  • control flexibility —smooth regulation without step transitions;
  • accuracy of maintaining system parameters within specified limits;
  • operation synchronization —all operating pumps maintain the same speed (if individual converters are used);
  • circuit simplification — Elimination of mechanical switching contactors;
  • gentle mode —soft start and stop of each motor in all operating modes;
  • fault tolerance — Maintaining the control function even if one of the converters fails.

Equipment Resource Optimization
To evenly distribute the load between pumps, an intelligent alternation system has been implemented:

  • The pump with the least operating time is activated first;
  • The pump with the most operating time is deactivated first.

Redundancy and Automation
Cabinets for two or more pumps offer flexible configuration options:

  • Determining the number of operating and backup units;
  • Automatic switching to backup pumps in the event of a failure of the primary pumps.

This solution ensures uninterrupted system operation and extends the service life of the equipment by evenly distributing the operating load.


Model overview

Those. information

Dispatch Options

  1. "Run" dispatch option for 1 motor (changeover contact on the terminal block).
  2. "Automatic" cabinet operating mode dispatch option (changeover contact on the terminal block).
  3. "Dry Run" dispatch option (changeover contact on the terminal block).
  4. "Frequency Converter Fault" dispatch option (changeover contact on the terminal block).

Protocol Data Transfer Options

  1. Option for Modbus RTU (RS-485) data transfer.
  2. Option for Modbus TCP/IP (Ethernet) data transfer.

Options for Cabinets with Frequency Converters

  1. Option for connecting an output choke for a frequency converter
  2. Option for connecting a braking resistor for a frequency converter
  3. Option for connecting two 4...20 mA analog sensors (differential maintenance)
  4. Option for connecting a pressure switch to operate pumps in the event of a frequency converter failure
  5. Option "Setting" (potentiometer on the cabinet door)
  6. Day-Night function option.

For a two-level Day-Night task, it is possible to set the pressure level to be maintained during the daytime and the pressure level to be maintained at night. In this case, the logic module will automatically use the current setpoint, depending on the real-time clock readings and the Day-Night option setting (for more information on setting up the unit, see the manual).

The maintained pressure level is defined in the logic module and can be set as a fixed value (two Day-Night levels), or by installing an external setpoint block – change depending on the external reference signal.

Options for installing additional equipment on the cabinet front panel

  1. Option for installing a remote frequency converter control panel
  2. Option for installing a voltmeter on 1 input
  3. Option for installing an hour meter on 1 electric motor

Cabinet climate version options

  1. Climate version option UHL1.
    Cabinet operating conditions: from -60˚C to +40˚C outdoors.
  2. Climate version option UHL2.
    Cabinet operating conditions: from -60˚C to +40˚C under a canopy (without direct exposure to sunlight and precipitation) or in an unheated room indoors.

External connection options for cabinet/motor control

  1. Option to connect remote cabinet start/stop in automatic mode.
  2. Option to connect a safety key to 1 electric motor

Protection options

  1. Option to provide over/undervoltage protection for one input.
  2. Option to connect a PTC sensor to 1 electric motor.
  3. Option to connect a Pt100 or Pt1000 sensor to 1 electric motor.
  4. Option to connect a differential pressure switch to 1 pump.
  5. Option to protect against dry running for 1 electric motor.

Download

Colors

DOP

More in this category:

Need a consultation?

We will tell you in detail about our services, types of work and typical projects, calculate the cost and prepare an individual offer!