Pump and mixing unit for underfloor heating AQUAHIT MU.301.06

Article: MU.301.06

# Feature Value
1 Maximum temperature of the primary circuit, °С 90
2 Maximum pressure, bar 10
3 Maximum differential pressure of the primary circuit, ΔP max., bar 1
4 Minimum differential pressure of the primary circuit, ΔP min., bar 0,1
5 Range of temperature regulation in the secondary circuit (on the thermal head), °С 20 ÷ 60
6 Thermal power in kW (bypass setting 0) 10
7 Thermal power in kW (bypass setting 5) 12.5
8 Maximum throughput Kv, m3 / hour 4.8
9 Thermometer scale, °С 120
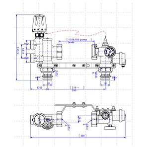
10 Connection diameter 1 "
11 Pump connection diameter 1*1/2 "
12 Installation length of the installed pump, mm 130 (180)
13 Thermal head capillary sensor length, m 2

Overview

The pump-mixing unit Aquahit MU.301.06 creates a separate circulation circuit for the "warm floor" system by lowering the temperature of the main heat carrier to the required one (20-60 ° C). The working body is a thermal head with a remote sensor. The installation length of the pump is 130-180 mm. It is completed with adjustable fasteners, automatic air vent, detachable connections for connecting the manifold block, thermometer, bypass line.

Model overview

Those. information

The principle of bypass operation - the smaller the bypass is open, the faster the required flow temperature is reached, and vice versa, with the maximum open bypass, the flow increases and at the same time the flow temperature fluctuation associated with the opening / closing of the various zones into which the heating system is divided decreases.

If necessary, configure the bypass as follows: – If the temperature difference is too large, gradually open the bypass until the calculated temperature difference is reached. – If the flow temperature is below the set value, gradually close the bypass to ensure the supply of heating medium from the high-temperature circuit.

The table below shows the bypass flow depending on the setting

Bypass adjustment position Throughput Kv, m3/h
1 0 3,0
2 1 3,4
3 2 3,8
4 3 4,2
5 4 4,5
6 5 4,8
Materials


# Part name Material Material grade according to norms
RF EN
1 Thermal head Plastic ABS plastic ABS
2 Lower body Brass ЛС-59-3 CW614N
3 Mount Steel Ст3кп Q235
4 Washer Elastomer Rubber ERDM
5 Upper body Brass ЛС-59-3 CW614N
6 Thermometer      
7 Air Vent      

Download

Colors

DOP

More in this category:

Need a consultation?

We will tell you in detail about our services, types of work and typical projects, calculate the cost and prepare an individual offer!