| Product number | EAN | Color |
|---|---|---|
| 26003DC3 | 4005176455384 | super steel |
| 26003AL3 | 4005176455391 | dark graphite, matt th>
|
| 26003003 | 4005176455377 | chrome |
| 26003GL3 | 4005176493812 | cold dawn |
| 26003DA3 | 4005176493836 | warm sunset |
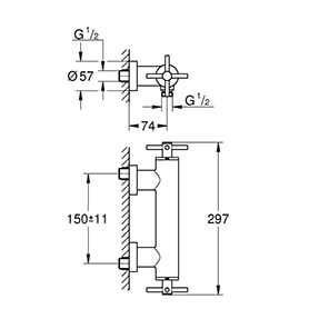
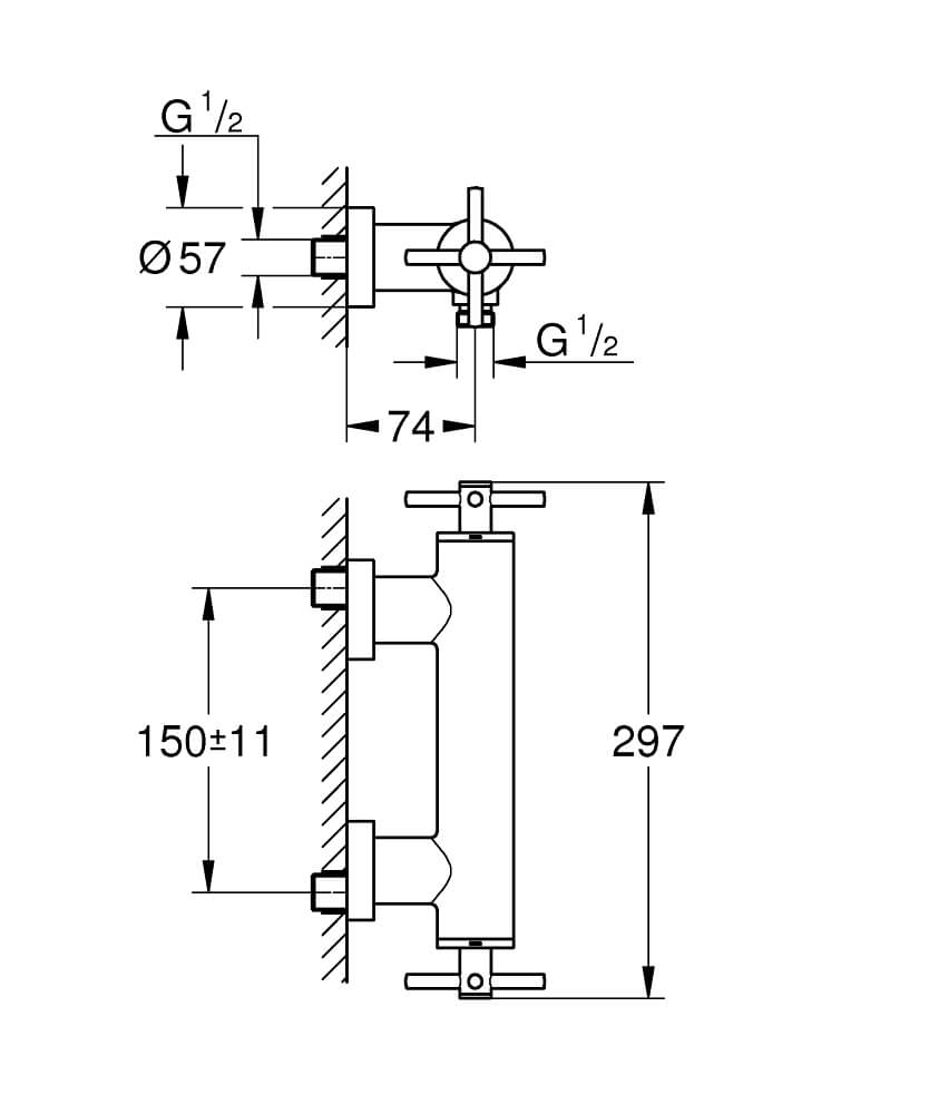
The GROHE Atrio shower mixer with two tactile cross-shaped handles is a minimalist style that perfectly complements your modern bathroom. Engineered for smooth handling and solid luxurious feel, this hand-assembled faucet is a timeless masterpiece. Designed for wall mounting, this faucet is ideal for sophisticated, stylish spaces where design considerations are required.
little things. The kit includes a set of nozzles with unobtrusive markings "H" and "C", as well as a set without labels. The adjustable flow restrictor allows you to set the amount of water consumption. The faucet is finished in a sparkling, long-lasting GROHE StarLight chrome that will keep that shiny look for years to come. The GROHE Atrio is an icon of precision and style.

| Pos.-nr. | PRODUCT DESCRIPTION | Order-nr. |
|---|---|---|
| 1 | Pair of handles | 48406000 |
| 2 | Ceramic valve 1/2" | 45883000 |
| 2.1 | O-ring Ø 18.2 x Ø 1.7 | 0392400M |
| 3 | Check valve | 08565000 |
| 4 | Ceramic valve 1/2" | 45882000 |
| 4.1 | O-ring Ø 18.2 x Ø 1.7 | 0392400M |

We will tell you in detail about our services, types of work and typical projects, calculate the cost and prepare an individual offer!